RNK234.0845.33.4.02.IK
Material number RNK234084533402IK
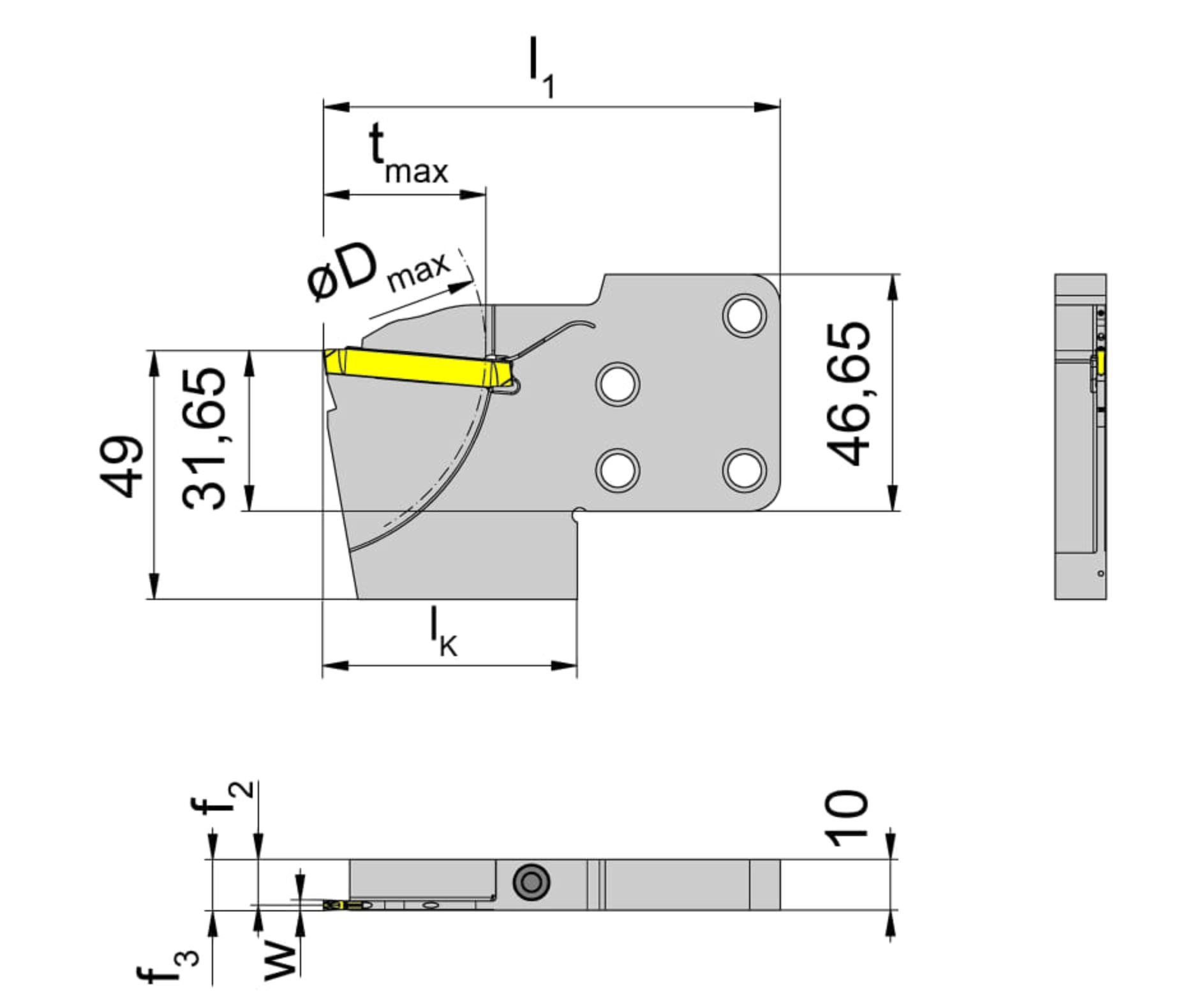
HORN Toolholder RNK234.0845.33.4.02.IK for Turning
Maximum depth of groove (tmax)
1.299 ˝
33 mm
tool-application
static
Width of groove (mm) (w)
0.079 ˝
2 mm
machining-direction-sap
right
Katalog_CCTMS
845002;845001
Katalog_CCTWS
23401
Maximum workpiece diameter (Dmax)
3.15 ˝
80 mm
Length of unit cassette to cutting edge (lK)
1.969 ˝
50 mm
Total length (including cutting insert) (l1)
3.543 ˝
90 mm
Adjustment dimension cutting center (f2)
0.354 ˝
9 mm