LH234.3208.33.02.IK
Material number LH23432083302IK
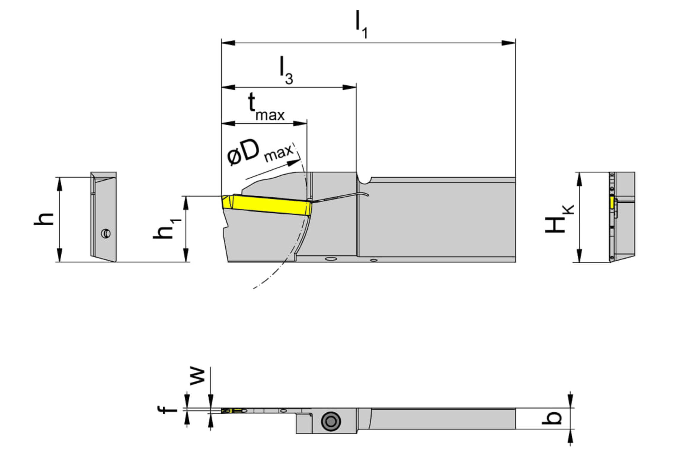
HORN Toolholder LH234.3208.33.02.IK for Turning
Head height (HK)
1.331 ˝
33.8 mm
head-length-imp
2.008 ˝
51 mm
Maximum insertion depth (tmax)
1.299 ˝
33 mm
Maximum workpiece diameter (Dmax)
3.15 ˝
80 mm
Peak height (h1)
0.976 ˝
24.8 mm
Head length top (including cutting edge) (l3)
2.008 ˝
51 mm
head-width-imp
0.374 ˝
9.5 mm
Katalog_CCTWS
23401
machining-direction-sap
left
Width of groove (w)
0.079 ˝
2 mm
tool-application
static
width-thickness-sword-met
0.311 ˝
7.9 mm
Adjustment dimension (f)
0.039 ˝
1 mm
Total length (including cutting insert) (l1)
4.331 ˝
110 mm
Shank height (h)
1.26 ˝
32 mm